
ਉਤਪਾਦ ਦਾ ਵੇਰਵਾ
| ਲਾਭ: | ਉੱਚ ਰਫ਼ਤਾਰ | ਲੇਬਲਿੰਗ ਸਪੀਡ: | 60-200 pcs / ਮਿੰਟ |
|---|---|---|---|
| ਫੰਕਸ਼ਨ: | ਐਸ਼ੀਵ ਸਟਿੱਕਰ ਲੇਬਲਿੰਗ | ਪਦਾਰਥ: | ਸਟੇਨਲੇਸ ਸਟੀਲ |
| ਬੋਤਲ ਦੀ ਕਿਸਮ: | ਆਟੋਮੈਟਿਕ ਗੋਲ ਬੋਤਲ ਲੇਬਲਰ ਜਾਰ | ਐਪਲੀਕੇਸ਼ਨ: | ਸਾਰੇ ਰਾਉਂਡ ਕੰਟੇਨਰ ਦੇ ਕਿਸਮ ਲਈ |
| ਪੀ ਐਲ ਸੀ ਬ੍ਰਾਂਡ: | ਮਿਟਬਸੀ (ਜਪਾਨ | ਸਰਵੋ ਲੇਬਲਿੰਗ ਮੋਟਰ: | DELTA (ਤਾਈਵਾਨ) |
ਰੈਡ ਵਾਈਨ ਲੇਬਲਿੰਗ ਮਸ਼ੀਨ ਗਲਾਸ ਵਾਈਨ ਦੀ ਬੋਤਲ ਲੇਬਲਿੰਗ ਮਸ਼ੀਨ, ਪੀਐਲਸੀ ਕੰਟਰੋਲ ਸਿਸਟਮ ਮਿਟਬਸੀ ਬ੍ਰਾਂਡ ਲੇਬਲਿੰਗ ਮਸ਼ੀਨ
ਫੀਚਰ:
1. ਓਪਰੇਸ਼ਨ: ਪੀ ਐਲ ਸੀ ਨਿਯੰਤਰਣ ਪ੍ਰਣਾਲੀ ਲੇਬਲਿੰਗ ਮਸ਼ੀਨ ਨੂੰ ਚਲਾਉਣ ਲਈ ਅਸਾਨ ਬਣਾਉਂਦੀ ਹੈ
2. ਪਦਾਰਥ: ਲੇਬਲਿੰਗ ਮਸ਼ੀਨ ਦਾ ਮੁੱਖ ਸਰੀਰ SUS304 ਸਟੀਲ ਤੋਂ ਬਣਿਆ ਹੈ
3. ਕੌਨਫਿਗਰੇਸ਼ਨ: ਸਾਡੀਆਂ ਲੇਬਲਿੰਗ ਮਸ਼ੀਨਾਂ ਜਾਣੇ ਜਾਂਦੇ ਜਪਾਨੀ, ਜਰਮਨ, ਅਮਰੀਕੀ, ਕੋਰੀਅਨ ਜਾਂ ਤਾਈਵਾਨ ਬ੍ਰਾਂਡ ਦੇ ਹਿੱਸੇ ਜਾਣਦੀਆਂ ਹਨ
4. ਲਚਕਤਾ: ਕਲਾਇੰਟ ਪ੍ਰਿੰਟਰ ਅਤੇ ਕੋਡ ਮਸ਼ੀਨ ਨੂੰ ਜੋੜਨਾ ਚੁਣ ਸਕਦਾ ਹੈ; ਕੰਵਰਿਅਰ ਨਾਲ ਜੁੜਨ ਦੀ ਚੋਣ ਕਰ ਸਕਦਾ ਹੈ ਜਾਂ ਨਹੀਂ.
ਤਕਨੀਕੀ ਮਾਪਦੰਡ:
| ਨਾਮ | ਹਾਈ ਸਪੀਡ ਸਲੀਵ ਸਕ੍ਰਿੰਕ ਰਾ roundਂਡ ਬੋਤਲ ਲੇਬਲਿੰਗ ਮਸ਼ੀਨ ਲਈ ਆਟੋਮੈਟਿਕ ਗੋਲ ਵਾਈਨ ਦੀ ਬੋਤਲ |
| ਲੇਬਲਿੰਗ ਸਪੀਡ | 60-350pcs / ਮਿੰਟ |
| ਆਬਜੈਕਟ ਦੀ ਉਚਾਈ | 30-350 ਮਿਲੀਮੀਟਰ |
| ਆਬਜੈਕਟ ਦੀ ਮੋਟਾਈ | 20-120mm |
| ਲੇਬਲ ਦੀ ਉਚਾਈ | 5-180mm |
| ਲੇਬਲ ਦੀ ਲੰਬਾਈ | 25-300 ਮਿਲੀਮੀਟਰ |
| ਵਿਆਸ ਦੇ ਅੰਦਰ ਲੇਬਲ ਰੋਲਰ | 76mm |
| ਲੇਬਲ ਰੋਲਰ ਬਾਹਰ ਵਿਆਸ | 420mm |
| ਲੇਬਲਿੰਗ ਦੀ ਸ਼ੁੱਧਤਾ | Mm 1mm |
| ਬਿਜਲੀ ਦੀ ਸਪਲਾਈ | 220V 50 / 60HZ 3.5KW |
| ਪ੍ਰਿੰਟਰ ਦੀ ਗੈਸ ਖਪਤ | 5 ਕਿਲੋਗ੍ਰਾਮ / ਐਮ 2 (ਜੇ ਕੋਡਿੰਗ ਮਸ਼ੀਨ ਸ਼ਾਮਲ ਕਰੋ) |
| ਲੇਬਲਿੰਗ ਮਸ਼ੀਨ ਦਾ ਆਕਾਰ | 2800 (ਐਲ) × 1650 (ਡਬਲਯੂ) × 1500 (ਐਚ) ਮਿਲੀਮੀਟਰ |
| ਲੇਬਲਿੰਗ ਮਸ਼ੀਨ ਦਾ ਭਾਰ | 180 ਕਿਲੋਗ੍ਰਾਮ |
ਸੰਰਚਨਾ
| ਨਹੀਂ | ਭਾਗ | ਦਾਗ | ਮਾਤਰਾ |
| 1 | ਪੀ.ਐਲ.ਸੀ. | ਮਿਟਬਸੀ (ਜਪਾਨ) | 1 |
| 2 | ਮੁੱਖ ਕਨਵਰਟਰ | ਡੈਨਫੋਸ (ਡੈਨਮਾਰਕ) | 1 |
| 4 | ਐਚ.ਐਮ.ਆਈ. | WEINVIEW (ਤਾਈਵਾਨ) | 1 |
| 5 | ਸਰਵੋ ਲੇਬਲਿੰਗ ਮੋਟਰ | ਡੈਲਟਾ (ਤਾਈਵਾਨ) | 1 |
| 6 | ਸਰਵੋ ਲੇਬਲਿੰਗ ਮੋਟਰ ਡਰਾਈਵਰ | ਡੈਲਟਾ (ਤਾਈਵਾਨ) | 1 |
| 7 | ਕਨਵੇਅਰ ਮੋਟਰ | HY (ਤਾਈਵਾਨ) | 1 |
| 8 | ਕਨਵੇਅਰ ਮੋਟਰ ਗੀਅਰਬਾਕਸ | HY (ਤਾਈਵਾਨ) | 1 |
| 9 | ਵਿਭਾਜਨ ਵਾਲੀ ਬੋਤਲ ਮੋਟਰ | ਜੀਪੀਜੀ (ਤਾਈਵਾਨ) | 1 |
| 10 | ਵੰਡਣ ਵਾਲੀ ਬੋਤਲ ਮੋਟਰ ਗੀਅਰਬਾਕਸ | ਜੀਪੀਜੀ (ਤਾਈਵਾਨ) | 1 |
| 11 | ਬੋਤਲ ਵੱਖ ਮੋਟਰ ਸਪੀਡ ਗਵਰਨਰ | ਜੀਪੀਜੀ (ਤਾਈਵਾਨ) | 1 |
| 12 | ਬੋਲਿਆ ਮੋਟਰ | ਜੀਪੀਜੀ (ਤਾਈਵਾਨ) | 1 |
| 13 | ਮੋਟਰ ਗੀਅਰਬਾਕਸ ਬੋਲਿਆ | ਜੀਪੀਜੀ (ਤਾਈਵਾਨ) | 1 |
| 14 | ਆਬਜੈਕਟ ਜਾਦੂ ਦੀ ਅੱਖ ਦੀ ਖੋਜ | ਓਮਰਨ (ਜਪਾਨ) | 1 |
| 15 | ਆਪਟੀਕਲ ਫਾਈਬਰ | ਓਮਰਨ (ਜਪਾਨ) | 1 |
ਮਸ਼ੀਨ ਦਾ ਵੇਰਵਾ:

32 ਮੁੱਖ ਲੇਬਲਿੰਗ ਮਸ਼ੀਨ ਹਿੱਸੇ

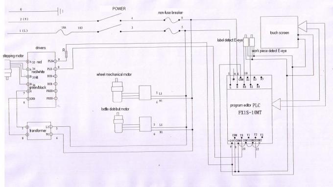
ਸਰਕਟ ਚਿੱਤਰ

ਅਕਸਰ ਪੁੱਛੇ ਜਾਂਦੇ ਪ੍ਰਸ਼ਨ:
1.label ਬੁਲਬੁਲਾ ਪ੍ਰਾਪਤ ਕਰਦਾ ਹੈ
ਕਾਰਨ:
Board ਛਿਲਕਾ ਬੰਦ ਬੋਰਡ ਚੰਗਾ / ਫਲੈਟ ਨਹੀਂ ਹੁੰਦਾ;
Low ਹਲ ਬੋਰਡ ਵਧੀਆ ਨਹੀਂ / ਫਲੈਟ ਨਹੀਂ ਹੁੰਦਾ;
③ ਲੇਬਲਿੰਗ ਆਉਟਪੁੱਟ ਬਹੁਤ ਤੇਜ਼ ਹੈ ਜਾਂ ਅਸੈਂਬਲੀ ਲਾਈਨ ਦੀ ਗਤੀ ਬਹੁਤ ਘੱਟ ਹੈ;
. ਲੇਬਲ ਬਹੁਤ ਖਿੱਚਿਆ ਗਿਆ ਹੈ
ਹੱਲ:
Board ਫਲੈਟ ਦੇ ਛਿਲਕੇ ਤੋਂ ਹਟਾਉਣਾ;
Flat ਇੱਕ ਫਲੈਟ ਹਲ ਦਾ ਬੋਰਡ ਬਦਲਣਾ;
Label ਲੇਬਲਿੰਗ ਆਉਟਪੁੱਟ ਦੀ ਗਤੀ ਹੌਲੀ ਕਰੋ ਜਾਂ ਅਸੈਂਬਲੀ ਲਾਈਨ ਦੀ ਗਤੀ ਵਧਾਓ;
Label ਲੇਬਲ ਬੈਲਟ ਨੂੰ ਸਹੀ ਤਰ੍ਹਾਂ ਪ੍ਰਭਾਵਤ ਕਰੋ.
ਟੈਗ: ਉਦਯੋਗਿਕ ਲੇਬਲਿੰਗ ਮਸ਼ੀਨ, ਕੱਚ ਦੀ ਬੋਤਲ ਲੇਬਲਿੰਗ ਮਸ਼ੀਨ









